Matica (naprava)





Matica je mehanička naprava koja služi pričvrščivanju ili podešavanju. Ona izgleda kao komad nekog tvrđeg materijala s provrtom i navojem. Skoro uvijek se upotrebljavaju u paru s vijkom, čiji navoji su sukladni navoju matice. Sila trenja navoja drži maticu i vijak zajedno, dopuštajući istezanja vijka uslijed sile.
Matice su najčešće šesterokutnog oblika. Visina je matice za normalni metrički navoj m ≈ 0,8∙d (d je nazivni promjer matice). Visina slabo opterećenih matica može biti i manja (polovica od toga). [1]
Vrste matica i materijali za izradu
Postoji mnoštvo različitih materijala za izradu matica, kao i mnoštvo raznih oblika matica. Osnovni oblik matice je šesterokut, oblik koji je našao vrlo široku primjenu u praksi. Ovaj oblik je dobar jer omogućuje dobar prilaz alatima na mjestima ograničena prostora, mogućnost podjele zakretanja na kut od 30°, a posebno dobra osobina je da je manje osjetljiv na trošenje i habanje, te se teže pretvori u krug, što onemogućava daljnju upotrebu.
Duljina matice je ovisna o promjeru njenog provrta i o vrsti materijala od kojeg se matica izrađuje. Općenito, vrijedi pravilo da opterećenje koje imaju navoji matice u zahvatu s vijkom moraju biti veći od potrebnog opterećenja za pucanje vijka. Za uobičajene matice se uzima da je njihova duljina jednaka 0,8 d, što omogućuje oko četiri kruga navoja unutar matice.
Potreba upotrebe matice na raznim mjestima i za razne namjene uzrokovala je pojavu mnoštva raznih izvedbi matica. Na slikama desno samo je jedan mali dio oblika i vrsta matica.
Materijali za izradu matica također ovise o njihovoj namjeni. Većina se radi od raznih vrsta čelika, a mogu se naći i mjedene, aluminijske, plastične, bakelitne i druge.
Njihova veličina je definirana dimenzijom vijka, a može biti vrlo mala (urarski vijci i matice), a i vrlo velika (na velikim uređajima i osovinama).
Najčešće vrste matica
Najčešće vrste matica su: [2] [3]
- Šesterostrana matica,
- Šesterostrana zatvorena matica,
- Četverostrana matica,
- Matica s čeonim urezom,
- Matica s rupama po obodu,
- Nareckana matica,
- Krilasta matica (za ručno pritezanje),
- Krunasta matica,
- Matica za privarivanje,
- T-matica,
- Navojni umetak,
- Uloženi tuljak,
- Sigurnosna matica.
Matice za privarivanje
Matice za privarivanje imaju s čeone strane 4, odnosno 3 bradavice, kojima se privaruju na limove. S njima se i na tankim limovima postiže ista opteretivost kao i s normalnim maticama. Njihova je upotreba vrlo racionalna, jer znatno olakšavaju montažne radove, osobito na teško pristupačnim mjestima.
Uloženi tuljak
Treba još spomenuti uložene tuljke, s vanjskim i unutarnjim navojem, koji su na kraju zarezani ili bušeni. Pri uvijanju u glatko izbušene rupe, oštri bridovi na zarezima ili provrtima tuljka urežu se i usidre u stijenu izbušene rupe. Pričvrsni vijci uvijaju se onda u unutarnji navoj tuljka, isto kao i u normalne uvrte s navojem u dijelovima. S takvim uložnim tuljcima izvanredno se vijcima spajaju, čvrsto i trajno, dijelovi od lakih metala, sivog lijeva, umjetnih masa, drva ili vlaknasta materijala. Jednostavnost upotrebe skraćuje vrijeme obrade, često štedi skupe alate i smanjuje otpad.
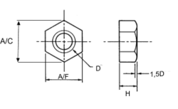
Dimenzije šesterostrane matice
| Nazivni promjer hole D (mm) |
Korak navoja P (mm) |
Ključ A/F (mm) |
Vanjski promjer A/C (mm) |
Visina H (mm) | ||||||
|---|---|---|---|---|---|---|---|---|---|---|
| Prvi red prioriteta |
Drugi red prioriteta |
normalni | fini | ISO | DIN | JIS | Šesterokutna matica | Kontramatica | Najlonska matica | |
| 1 | 0,25 | 2,5 | ||||||||
| 1,2 | 0,25 | |||||||||
| 1,4 | 0,3 | |||||||||
| 1,6 | 0,35 | 3,2 | ||||||||
| 1,8 | 0,35 | |||||||||
| 2 | 0,4 | 4 | 1,6 | 1,2 | - | |||||
| 2,5 | 0,45 | 5 | 2 | 1,6 | - | |||||
| 3 | 0,5 | 5,5 | 6,4 | 2,4 | 1,8 | 4 | ||||
| 3,5 | 0,6 | 6 | ||||||||
| 4 | 0,7 | 7 | 7 | 7 | 8,1 | 3,2 | 2,2 | 5 | ||
| 5 | 0,8 | 8 | 8 | 8 | 9,2 | 4 | 2,7 | 5 | ||
| 6 | 1 | 0,75 | 10 | 10 | 10 | 11,5 | 5 | 3,2 | 6 | |
| 7 | 1 | 11 | 5,5 | 3,5 | - | |||||
| 8 | 1,25 | 1 | 13 | 13 | 12 | 15 | 6,5 | 4 | 8 | |
| 10 | 1,5 | 1,25 ili 1 | 16 | 17 | 14 | 19,6 | 8 | 5 | 10 | |
| 12 | 1,75 | 1,5 ili 1,25 | 18 | 19 | 17 | 22,,1 | 10 | 6 | 12 | |
| 14 | 2 | 1,5 | 21 | 22 | 19 | 11 | 7 | 14 | ||
| 16 | 2 | 1,5 | 24 | 24 | 22 | 27,7 | 13 | 8 | 16 | |
| 18 | 2,5 | 2 ili 1,5 | 27 | 15 | 9 | 18,5 | ||||
| 20 | 2,5 | 2 ili 1,5 | 30 | 30 | 34,6 | 16 | 10 | 20 | ||
| 22 | 2,5 | 2 ili 1,5 | 32 | |||||||
| 24 | 3 | 2 | 36 | 41,6 | 19 | |||||
| 27 | 3 | 2 | 41 | |||||||
| 30 | 3,5 | 2 | 46 | 53,1 | 24 | |||||
| 33 | 3,5 | 2 | ||||||||
| 36 | 4 | 3 | 55 | 63,5 | 29 | |||||
| 39 | 4 | 3 | ||||||||
| 42 | 4,5 | 3 | ||||||||
| 45 | 4,5 | 3 | ||||||||
| 48 | 5 | 3 | ||||||||
| 52 | 5 | 4 | ||||||||
| 56 | 5,5 | 4 | ||||||||
| 60 | 5,5 | 4 | ||||||||
| 64 | 6 | 4 | ||||||||
Materijal matica
Čelične matice se dijele u razrede čvrstoće: 4, 5, 6, 8, 10, 12 i 14. Oznaka razreda čvrstoće znači (na primjer: 6): [4] - broj x 100 = 6 x 100 = 600 N/mm2 = Rm (maksimalna čvrstoća) Matice većih čvrstoća moraju na sebi imati otisnutu oznaku razreda čvrstoće.
| Materijal | Čvrstoća s faktorom sigurnosti | Granica elastičnosti (min.) | Maksimalna čvrstoća (min.) | Oznaka matice | Razred materijala | ||
|---|---|---|---|---|---|---|---|
| ISO 898 (Metarska matica) | |||||||
| Nisko ili srednje ugljični čelik | 380 MPa | 420 MPa | 520 MPa | 5 | |||
| Srednje ugljični čelik (ugašen i kaljen) | 580 MPa | 640 MPa | 800 MPa | 8 | |||
| Legirani čelik (ugašen i kaljen) | 830 MPa | 940 MPa | 1040 MPa | 10 | |||
Kvaliteta ili kakvoća čelika za vijke označava se s dva broja (na primjer 8.8). Prvi broj označuje minimalnu čvrstoću, drugi desetorostruki odnos minimalne granice tečenja i minimalne lomne čvrstoće. Čelik za matice označuje se samo jednim brojem (na primjer 8), koji označuje takozvano naprezanje ispitivanja σvL. Naprezanje ispitivanja odgovara minimalnoj vlačnoj čvrstoći vijka, s kojim moramo spariti maticu visine m ≧ 0,6∙d, ako treba ostvariti opteretivost spoja do minimalne lomne čvrstoće vijka.
Osiguranje vijčanog spoja od odvrtanja



Osiguranje vijčanog spoja od odvrtanja kod statičkih opterećenja nije potrebno, ali se primjenjuje kod dinamičkih opterećenja. Naime, nakon pritezanja vijka dolazi do djelomičnog slijeganja hrapavosti dodirnih površina, može doći do puzanja materijala vijka, a može doći i do lokalnih plastičnih deformacija. Sve to, potpomognuto promjenama opterećenja i eventualnim vibracijama, može rezultirati otpuštanjem vijčanog spoja. U pravilu su dobro proračunati, oblikovani i pritegnuti vijčani spojevi već osigurani protiv neželjenog odvrtanja. To prije svega vrijedi za visokoopterećene spojeve s elastičnim vijcima razreda čvrstoće 8.8 i više, uz male hrapavosti dodirnih površina.
Osiguranje vijčanog spoja od odvrtanja oblikom
Osiguranje oblikom se postiže:
- rascjepkom s običnom ili krunastom maticom; rascjepka prolazi kroz poprečni provrt u vijku,
- sigurnosnim limom s izdancima; jedan izdanak se priljubi uz maticu, a drugi savije oko ruba.
Osiguranje vijčanog spoja od odvrtanja silom
Umetanjem posebnih opružnih elemenata se osigurava aksijalna sila prednapona i pri djelovanju najveće radne sile, makar je došlo do slijeganja hrapavosti ili plastičnih deformacija. Ovi elementi su u obliku rasječenih, zakrivljenih ili tanjurastih prstena (pločica), a izrađeni su od opružnog čelika. Nazivaju se i elastične podloške.
Razne zupčaste i lepezaste prstenaste pločice se svojim zupcima utiskuju u podlogu, povećavaju trenje i tako sprečavaju odvrtanje. Ovakvo osiguranje nije primjenjivo na tvrdim kaljenim površinama. Veće trenje i sprečavanje odvrtanja matice se postiže i sigurnosnom limenom maticom od opružnog čelika koja s unutarnje strane ima više jezičaca koji se zabijaju u navoj. Česta je upotreba dvije matice: protumatice (kontramatice) manje visine koja se priteže na podlogu i normalne matice koja se priteže na kontramaticu (u praksi se često matice pogrešno montiraju obratno). Matice mogu biti i jednake. Vanjska matica sprečava otpuštanje unutarnje, a na površini njihovog dodira se javlja i dodatno trenje. Za jednokratnu upotrebu se koriste matice s uloškom od umjetne plastične mase u koji vijak urezuje navoj.
Osiguranje vijčanog spoja od odvrtanja materijalom
Vrši se lijepljenjem navoja umjetnim smolama. Često se koristi ljepilo tvrtke "Loctite" kojim se mogu postići vodonepropusni spojevi, na primjer kod spajanja cijevi. Moguće je i zavarivanje glave vijka ili matice za podlogu za što postoje i posebni vijci i matice.
Izvori
- ↑ "Tehnička enciklopedija" (Elementi strojeva), glavni urednik Hrvoje Požar, Grafički zavod Hrvatske, 1987.
- ↑ [1] "Konstrukcijski elementi I", Tehnički fakultet Rijeka, Božidar Križan i Saša Zelenika, 2011.
- ↑ [2] "Elementi strojeva", Fakultet elektrotehnike, strojarstva i brodogradnje Split, Prof. dr. sc. Damir Jelaska, 2011.
- ↑ "Strojarski priručnik", Bojan Kraut, Tehnička knjiga Zagreb 2009.
- ↑ Script error: The function "harvard_citation_no_bracket" does not exist..
