Kundtova cijev

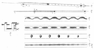
Kundtova cijev je mjerni instrument kojim se akustični stojni valovi koje proizvodimo kod svih muzičkih instrumenata mogu učiniti vidljivim. To je staklena cijev zatvorena na objema krajevima čepovima, a na jednom čepu je pričvršćen stakleni štap. Ako stakleni štap trljamo mokrom krpom, nastat će longitudinalno titranje štapa pa ćemo čuti visoki ton. Ti se valovi prenose na zrak ili na neki drugi plin u cijevi i nastaje stojni val zbog refleksije (odbijanja zvučnih valova) na gornjem čepu. Pri tom razmak čepova mora biti takav da uz gornji čep nastaje čvor, a uz donji, na kojem je pričvršćen štap. Stavimo li u cijev sitnu prašinu, ona će se skupljati u čvorovima, a u trbusima razrijediti. Kako je razmak između čvorova pola valne duljine λ/2, lako možemo izračunati frekvenciju f zvuka koga proizvodi stakleni štap, i to prema izrazu:
gdje je: v - brzina zvuka u plinu koji je u cijevi, af - frekvencija.
Želimo li izračunati brzinu zvuka u nekom plinu, stavimo ga u tu cijev umjesto zraka. Frekvencija staklenog štapa je ista kao i prije, samo je valna duljina u plinu druga. Poznajemo li brzinu zvuka u zraku, i izmjerimo valnu duljinu u zraku i plinu, onda se brzina zvuka u plinu izračuna iz razmjera: [1]
Titranje žice glazbala


Napeta i na krajevima učvršćena žica može izvoditi transverzalne mehaničke titraje, okomito na smjer žice. Time što je žica na krajevima učvršćena već je unaprijed određeno da se na njenim krajevima stvaraju čvorovi stojnog vala. Povučemo li gudalom po sredini žice, ona će izvoditi harmonijsko titranje i pri tom ćemo čuti ton. Onaj ton koji nastaje kod titranja žice gdje je samo jedan trbuh po sredini zove se osnovni ton. Tome osnovnom tonu pripada osnovna frekvencija f0 i valna duljina λ0. Kako je razmak od čvora do čvora, to jest duljina l žice jednaka polovini valne duljine, to jest:
a jer je:
gdje je v - brzina zvuka, to je:
pa je:
Znači da je broj titraja obrnuto razmjeran s duljinom žice, to jest duža žica imat će manji broj titraja nego kraća.
Dotaknemo li napetu žicu prstom u sredini i stavimo li je u titranje, pa onda prst uklonimo, žica će titrati tako da će imati 3 čvora i 2 trbuha i ćut ćemo prvi gornji ton. Valna duljina je sada:
a frekvencija f1. Iz toga proizlazi da je:
pa je:
Znači da je sada frekvencija dvostruko veća od osnovne frekvencije.
Pritisnemo li žicu u svakoj trećini njene duljine, nastat će na njoj 4 čvora i dobit ćemo drugi gornji ton. Valna duljina je sada
a frekvencija f2. Iz toga proizlazi da je:
pa je:
Znači da je sada frekvencija trostruko veća od osnovne frekvencije.
Izvori
- ↑ Velimir Kruz: "Tehnička fizika za tehničke škole", "Školska knjiga" Zagreb, 1969.